XH(7/8”) 300 Plain Bore timing Pulley
- Home
- Product
- Plain Bore Timing Pulley
- XH(7/8”) Plain Bore Timing Pulley
- XH(7/8”) 300 Plain Bore timing Pulley
XH(7/8”) Plain Bore timing Pulley Ref. XH300
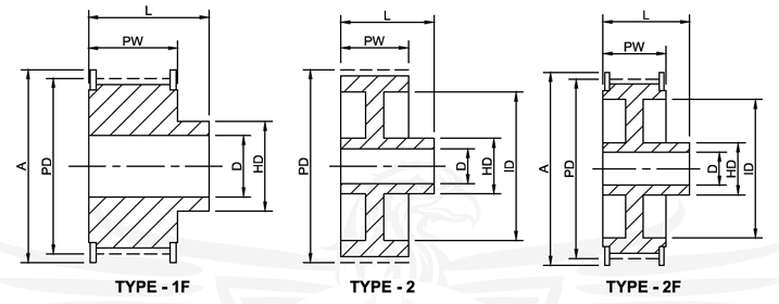
Technical Specifications
| Part No | Pulley Size | Pulley Type | Material | No. Of Teeth | Pd | A | Hd | Id | Pw | L | MIN Bore (D) | Max Bore (D) | APPROX WEIGHT (Kg) |
|---|---|---|---|---|---|---|---|---|---|---|---|---|---|
| N0242 | 18 XH300 | 1F | STEEL | 18 | 127.34 | 140 | 100 | - | 90.5 | 110 | 28 | 67 | 8.90 |
| N0243 | 19 XH300 | 1F | STEEL | 19 | 134.41 | 146 | 100 | - | 90.5 | 110 | 28 | 67 | 9.20 |
| N0244 | 20 XH300 | 1F | STEEL | 20 | 141.49 | 155 | 100 | - | 90.5 | 110 | 28 | 67 | 9.50 |
| N0245 | 21 XH300 | 1F | STEEL | 21 | 148.56 | 160 | 110 | - | 90.5 | 110 | 28 | 75 | 10.80 |
| N0246 | 22 XH300 | 1F | STEEL | 22 | 155.64 | 168 | 110 | - | 90.5 | 110 | 28 | 75 | 12.10 |
| N0247 | 24 XH300 | 1F | STEEL | 24 | 169.79 | 184 | 120 | - | 90.5 | 110 | 28 | 80 | 14.10 |
| N0248 | 25 XH300 | 1F | STEEL | 25 | 176.86 | 188 | 120 | - | 90.5 | 110 | 28 | 80 | 15.40 |
| N0249 | 26 XH300 | 1F | STEEL | 26 | 183.93 | 198 | 120 | - | 90.5 | 110 | 28 | 80 | 16.70 |
| N0250 | 27 XH300 | 1F | STEEL | 27 | 191.01 | 200 | 120 | - | 90.5 | 110 | 28 | 80 | 18.40 |
| N0251 | 28 XH300 | 1F | STEEL | 28 | 198.09 | 212 | 150 | - | 90.5 | 110 | 28 | 110 | 20.20 |
| N0252 | 30 XH300 | 1F | STEEL | 30 | 212.23 | 226 | 150 | - | 90.5 | 110 | 28 | 110 | 23.80 |
| N0253 | 32 XH300 | 1F | STEEL | 32 | 226.38 | 240 | 150 | 184 | 90.5 | 110 | 28 | 110 | 26.60 |
| N0254 | 34 XH300 | 1F | STEEL | 34 | 240.53 | 256 | 150 | 198 | 90.5 | 110 | 28 | 110 | 29.40 |
| N0255 | 38 XH300 | 2F | CAST IRON | 38 | 268.83 | 286 | 150 | 227 | 90.5 | 120 | 32 | 135 | 32.00 |
| N0256 | 40 XH300 | 2F | CAST IRON | 40 | 282.98 | 296 | 175 | 241 | 90.5 | 120 | 32 | 135 | 37.50 |
| N0257 | 46 XH300 | 2 | CAST IRON | 46 | 325.42 | - | 175 | 283 | 90.5 | 120 | 32 | 135 | 32.50 |
| N0258 | 48 XH300 | 2 | CAST IRON | 48 | 339.57 | - | 175 | 297 | 90.5 | 120 | 32 | 135 | 34.00 |
| N0259 | 58 XH300 | 2 | CAST IRON | 58 | 410.32 | - | 175 | 368 | 90.5 | 120 | 32 | 135 | 37.00 |
| N0260 | 60 XH300 | 2 | CAST IRON | 60 | 424.47 | - | 175 | 382 | 90.5 | 120 | 32 | 135 | 39.00 |
| N0261 | 70 XH300 | 2 | CAST IRON | 70 | 495.21 | - | 175 | 453 | 90.5 | 120 | 32 | 135 | 53.00 |
| N0262 | 72 XH300 | 2 | CAST IRON | 72 | 509.36 | - | 175 | 467 | 90.5 | 120 | 32 | 135 | 55.00 |
| N0263 | 78 XH300 | 2 | CAST IRON | 78 | 551.81 | - | 175 | 510 | 90.5 | 120 | 32 | 135 | 62.00 |
| N0264 | 80 XH300 | 2 | CAST IRON | 80 | 565.95 | - | 175 | 524 | 90.5 | 120 | 32 | 135 | 64.00 |
| N0265 | 82 XH300 | 2 | CAST IRON | 82 | 580.10 | - | 175 | 538 | 90.5 | 120 | 32 | 135 | 66.00 |
| N0266 | 84 XH300 | 2 | CAST IRON | 84 | 594.25 | - | 175 | 552 | 90.5 | 120 | 32 | 135 | 69.00 |
| N0267 | 94 XH300 | 2 | CAST IRON | 94 | 665.00 | - | 175 | 623 | 90.5 | 120 | 32 | 135 | 81.00 |
| N0268 | 96 XH300 | 2 | CAST IRON | 96 | 679.15 | - | 175 | 637 | 90.5 | 120 | 32 | 135 | 85.00 |
| N0269 | 118 XH300 | 2 | CAST IRON | 118 | 834.78 | - | 175 | 792 | 90.5 | 120 | 32 | 135 | 116.00 |
| N0270 | 120 XH300 | 2 | CAST IRON | 120 | 848.93 | - | 175 | 806 | 90.5 | 120 | 32 | 135 | 121.00 |
