T5 25W Plain Bore timing Pulley
- Home
- Product
- Plain Bore Timing Pulley
- T5 Plain Bore timing Pulley
- T5 25W Plain Bore timing Pulley
T5 25W Plain Bore timing Pulley Ref. T5 25w
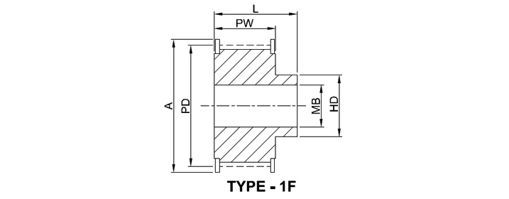
Technical Specifications
| Part No | Pulley Size | Pulley Type | Material | No. Of Teeth | Pd | A | Hd | Pw | L | MIN Bore (MB) | Max Bore | APPROX WEIGHT (Kg) |
|---|---|---|---|---|---|---|---|---|---|---|---|---|
| N0961 | 36 T5 / 10 - 2 | 1F | ALUMINIUM | 10 | 15.92 | 20.00 | 8.00 | 30.00 | 36.00 | 4.00 | 5.00 | 0.02 |
| N0962 | 36 T5 / 12 - 2 | 1F | ALUMINIUM | 12 | 19.01 | 23.00 | 11.00 | 30.00 | 36.00 | 4.00 | 6.00 | 0.03 |
| N0963 | 36 T5 / 14 - 2 | 1F | ALUMINIUM | 14 | 22.29 | 25.00 | 13.00 | 30.00 | 36.00 | 4.00 | 8.00 | 0.04 |
| N0964 | 36 T5 / 15 - 2 | 1F | ALUMINIUM | 15 | 23.88 | 28.00 | 16.00 | 30.00 | 36.00 | 6.00 | 10.00 | 0.04 |
| N0965 | 36 T5 / 16 - 2 | 1F | ALUMINIUM | 16 | 25.47 | 32.00 | 18.00 | 30.00 | 36.00 | 6.00 | 11.00 | 0.05 |
| N0966 | 36 T5 / 18 - 2 | 1F | ALUMINIUM | 18 | 28.65 | 32.00 | 20.00 | 30.00 | 36.00 | 6.00 | 12.00 | 0.06 |
| N0967 | 36 T5 / 19 - 2 | 1F | ALUMINIUM | 19 | 30.25 | 36.00 | 22.00 | 30.00 | 36.00 | 6.00 | 12.00 | 0.07 |
| N0968 | 36 T5 / 20 - 2 | 1F | ALUMINIUM | 20 | 31.83 | 36.00 | 23.00 | 30.00 | 36.00 | 6.00 | 14.00 | 0.08 |
| N0969 | 36 T5 / 22 - 2 | 1F | ALUMINIUM | 22 | 35.12 | 38.00 | 24.00 | 30.00 | 36.00 | 6.00 | 15.00 | 0.08 |
| N0970 | 36 T5 / 24 - 2 | 1F | ALUMINIUM | 24 | 38.21 | 42.00 | 26.00 | 30.00 | 36.00 | 6.00 | 15.00 | 0.11 |
| N0971 | 36 T5 / 25 - 2 | 1F | ALUMINIUM | 25 | 39.80 | 44.0 | 26.00 | 30.00 | 36.00 | 6.00 | 15.00 | 0.12 |
| N0972 | 36 T5 / 26 - 2 | 1F | ALUMINIUM | 26 | 41.47 | 44.00 | 26.00 | 30.00 | 36.00 | 6.00 | 16.00 | 0.12 |
| N0973 | 36 T5 / 27 - 2 | 1F | ALUMINIUM | 27 | 42.98 | 48.00 | 30.00 | 30.00 | 36.00 | 8.00 | 18.00 | 0.13 |
| N0974 | 36 T5 / 28 - 2 | 1F | ALUMINIUM | 28 | 44.62 | 48.00 | 32.00 | 30.00 | 36.00 | 8.00 | 18.00 | 0.14 |
| N0975 | 36 T5 / 30 - 2 | 1F | ALUMINIUM | 30 | 47.76 | 51.00 | 34.00 | 30.00 | 36.00 | 8.00 | 18.00 | 0.15 |
| N0976 | 36 T5 / 32 - 2 | 1F | ALUMINIUM | 32 | 50.94 | 54.00 | 38.00 | 30.00 | 36.00 | 8.00 | 22.00 | 0.18 |
| N0977 | 36 T5 / 36 - 2 | 1F | ALUMINIUM | 36 | 57.31 | 64.00 | 38.00 | 30.00 | 36.00 | 8.00 | 22.00 | 0.23 |
| N0978 | 36 T5 / 40 - 2 | 1F | ALUMINIUM | 40 | 63.66 | 66.00 | 40.00 | 30.00 | 36.00 | 8.00 | 23.00 | 0.28 |
| N0979 | 36 T5 / 42 - 2 | 1F | ALUMINIUM | 42 | 66.87 | 70.00 | 40.00 | 30.00 | 36.00 | 8.00 | 24.00 | 0.35 |
| N0980 | 36 T5 / 44 - 2 | 1F | ALUMINIUM | 44 | 70.07 | 75.00 | 45.00 | 30.00 | 36.00 | 8.00 | 26.00 | 0.40 |
| N0981 | 36 T5 / 48 - 2 | 1F | ALUMINIUM | 48 | 76.42 | 82.00 | 50.00 | 30.00 | 36.00 | 8.00 | 28.00 | 0.61 |
| N0982 | 36 T5 / 60 - 2 | 1F | ALUMINIUM | 60 | 95.52 | 101.00 | 16.00 | 30.00 | 36.00 | 8.00 | 35.00 | 1.00 |
