T10 32W Plain Bore timing Pulley
- Home
- Product
- Plain Bore Timing Pulley
- T10 Plain Bore timing Pulley
- T10 32W Plain Bore timing Pulley
T10 32W Plain Bore timing Pulley Ref. T10 32w
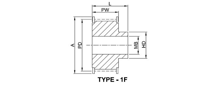
Technical Specifications
| Part No | Pulley Size | Pulley Type | Material | No. Of Teeth | Pd | A | Hd | Pw | L | MIN Bore (MB) | Max Bore | APPROX WEIGHT (Kg) |
|---|---|---|---|---|---|---|---|---|---|---|---|---|
| N1024 | 47 T10 / 18 - 2 | 1F | ALUMINIUM | 18 | 57.29 | 60.00 | 40.00 | 37.00 | 47.00 | 10.00 | 22.00 | 0.25 |
| N1025 | 47 T10 / 19 - 2 | 1F | ALUMINIUM | 19 | 60.48 | 66.00 | 44.00 | 37.00 | 47.00 | 10.00 | 22.00 | 0.29 |
| N1026 | 47 T10 / 20 - 2 | 1F | ALUMINIUM | 20 | 63.66 | 66.00 | 46.00 | 37.00 | 47.00 | 12.00 | 24.00 | 0.32 |
| N1027 | 47 T10 / 22 - 2 | 1F | ALUMINIUM | 22 | 70.03 | 75.00 | 52.00 | 37.00 | 47.00 | 12.00 | 28.00 | 0.39 |
| N1028 | 47 T10 / 24 - 2 | 1F | ALUMINIUM | 24 | 76.39 | 83.00 | 58.00 | 37.00 | 47.00 | 12.00 | 30.00 | 0.47 |
| N1029 | 47 T10 / 25 - 2 | 1F | ALUMINIUM | 25 | 79.58 | 83.00 | 60.00 | 37.00 | 47.00 | 12.00 | 30.00 | 0.53 |
| N1030 | 47 T10 / 26 - 2 | 1F | ALUMINIUM | 26 | 82.76 | 87.00 | 60.00 | 37.00 | 47.00 | 12.00 | 30.00 | 0.56 |
| N1031 | 47 T10 / 27 - 2 | 1F | ALUMINIUM | 27 | 85.95 | 91.00 | 60.00 | 37.00 | 47.00 | 12.00 | 30.00 | 0.60 |
| N1032 | 47 T10 / 28 - 2 | 1F | ALUMINIUM | 28 | 89.13 | 93.00 | 60.00 | 37.00 | 47.00 | 12.00 | 30.00 | 0.64 |
| N1033 | 47 T10 / 30 - 2 | 1F | ALUMINIUM | 30 | 95.49 | 97.00 | 60.00 | 37.00 | 47.00 | 12.00 | 30.00 | 0.74 |
| N1034 | 47 T10 / 32 - 2 | 1F | ALUMINIUM | 32 | 101.86 | 106.00 | 65.00 | 37.00 | 47.00 | 12.00 | 32.00 | 0.84 |
| N1035 | 47 T10 /36 - 2 | 1F | ALUMINIUM | 36 | 114.59 | 120.00 | 70.00 | 37.00 | 47.00 | 16.00 | 35.00 | 1.06 |
| N1036 | 47 T10 / 40 - 2 | 1F | ALUMINIUM | 40 | 127.32 | 131.00 | 80.00 | 37.00 | 47.00 | 16.00 | 40.00 | 1.32 |
| N1037 | 47 T10 / 44 - 2 | 1F | ALUMINIUM | 44 | 140.06 | 145.00 | 88.00 | 37.00 | 47.00 | 16.00 | 46.00 | 1.61 |
| N1038 | 47 T10 / 48 - 2 | 1F | ALUMINIUM | 48 | 152.78 | 158.00 | 95.00 | 37.00 | 47.00 | 16.00 | 48.00 | 1.93 |
| N1039 | 47 T10 / 60 - 2 | 1F | ALUMINIUM | 60 | 190.98 | 196.00 | 110.00 | 37.00 | 47.00 | 16.00 | 60.00 | 3.00 |
