H (1 / 2”) Taper Lock Bush Timing Pulley
- Home
- Product
- Taper Lock Bush Timing Pulley
- H Taper Pitch Pulley
- H (1 / 2”) Taper Lock Bush Timing Pulley
H (1 / 2”) Taper Lock Bush Timing Pulley Ref. H300
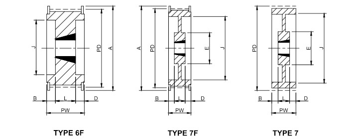
Technical Specifications
| PART NO | PULLEY SIZE | PULLEY TYPE | BUSH NO | MATERIAL | NO. OF TEETH | MAX BORE (MB) | PD | A | PW | J | B | L | D | E | APPROX WEIGHT (kg) |
|---|---|---|---|---|---|---|---|---|---|---|---|---|---|---|---|
| N0816 | 20H300 | 6F | 1615 | C.I. / FG200 | 20 | 42 | 80.95 | 87 | 84 | 60 | 23 | 38 | 23 | - | 3.10 |
| N0817 | 21H300 | 6F | 1615 | C.I. / FG200 | 21 | 42 | 84.89 | 91 | 84 | 64 | 23 | 38 | 23 | - | 3.32 |
| N0818 | 22H300 | 6F | 1615 | C.I. / FG200 | 22 | 42 | 88.94 | 95 | 84 | 67 | 23 | 38 | 23 | - | 3.67 |
| N0819 | 23H300 | 6F | 1615 | C.I. / FG200 | 23 | 42 | 92.87 | 98 | 84 | 70 | 23 | 38 | 23 | - | 4.00 |
| N0820 | 24H300 | 6F | 1615 | C.I. / FG200 | 24 | 42 | 97.02 | 103 | 8 | 74 | 23 | 38 | 23 | - | 4.40 |
| N0821 | 25H300 | 6F | 1615 | C.I. / FG200 | 25 | 42 | 101.06 | 106 | 84 | 77 | 23 | 38 | 23 | - | 4.79 |
| N0822 | 26H300 | 6F | 1615 | C.I. / FG200 | 26 | 42 | 105.11 | 112 | 84 | 82 | 23 | 38 | 23 | - | 5.20 |
| N0823 | 27H300 | 6F | 2012 | C.I. / FG200 | 27 | 50 | 109.15 | 115 | 84 | 85 | 26 | 32 | 26 | - | 5.40 |
| N0824 | 28H300 | 6F | 2012 | C.I. / FG200 | 28 | 50 | 113.19 | 120 | 84 | 91 | 26 | 32 | 26 | - | 5.60 |
| N0825 | 30H300 | 6F | 1615 | C.I. / FG200 | 30 | 50 | 121.28 | 128 | 84 | 98 | 26 | 32 | 26 | - | 7.00 |
| N0826 | 32H300 | 6F | 2517 | C.I. / FG200 | 32 | 60 | 129.36 | 135 | 84 | 106 | 19.5 | 45 | 19.5 | - | 7.80 |
| N0827 | 36H300 | 6F | 2517 | C.I. / FG200 | 36 | 60 | 15.53 | 151 | 8 | 121 | 19.5 | 45 | 19.5 | - | 9.90 |
| N0828 | 40H300 | 6F | 2517 | C.I. / FG200 | 40 | 60 | 161.70 | 168 | 84 | 138 | 19.5 | 45 | 19.5 | - | 12.20 |
| N0829 | 48H300 | 7F | 2517 | C.I. / FG200 | 48 | 60 | 194.04 | 184 | 86 | 101696 | 19.5 | 45 | 19.5 | 119 | 11.40 |
| N0830 | 60H300 | 7 | 2517 | C.I. / FG200 | 60 | 60 | 242.55 | 200 | 86 | 223 | 19.5 | 45 | 19.5 | 119 | 13.30 |
| N0831 | 72H300 | 7 | 2517 | C.I. / FG200 | 72 | 60 | 291.06 | - | 86 | 270 | 19.5 | 45 | 19.5 | 119 | 19.00 |
| N0832 | 84H300 | 7 | 2517 | C.I. / FG200 | 84 | 60 | 339.57 | - | 86 | 320 | 19.5 | 45 | 19.5 | 119 | 20.00 |
| N0833 | 96H300 | 7 | 25303017 | C.I. / FG200 | 96 | 75 | 388.08 | - | 86 | 366 | 5 | 76 | 5 | 150 | 27.00 |
| N0834 | 120H300 | 7 | 3030 | C.I. / FG200 | 120 | 75 | 485.10 | - | 86 | 462 | 5 | 76 | 5 | 150 | 33.0 |
