H(1/2”) 200 Plain Bore timing Pulley
- Home
- Product
- Plain Bore Timing Pulley
- H(1/2”) Plain Bore Timing Pulley
- H(1/2”) 200 Plain Bore timing Pulley
H(1/2”) Plain Bore timing Pulley Ref. H200
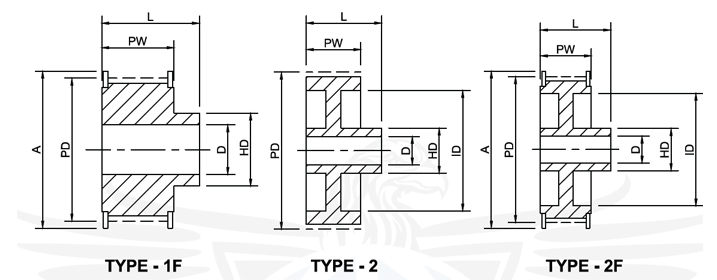
Technical Specifications
| Part No | Pulley Size | Pulley Type | Material | No. Of Teeth | Pd | A | Hd | Id | Pw | L | MIN Bore (D) | Max Bore (D) | APPROX WEIGHT (Kg) |
|---|---|---|---|---|---|---|---|---|---|---|---|---|---|
| N0171 | 14 H200 | 1F | STEEL | 14 | 56.60 | 64 | 45 | - | 59 | 70 | 11 | 28 | 1.10 |
| N0172 | 16 H200 | 1F | STEEL | 16 | 64.68 | 70 | 45 | - | 59 | 70 | 11 | 30 | 1.34 |
| N0173 | 18 H200 | 1F | STEEL | 18 | 72.77 | 79 | 55 | - | 59 | 70 | 14 | 36 | 1.65 |
| N0174 | 19 H200 | 1F | STEEL | 19 | 76.81 | 83 | 60 | - | 59 | 70 | 14 | 40 | 1.90 |
| N0175 | 20 H200 | 1F | STEEL | 20 | 80.85 | 87 | 62 | - | 59 | 70 | 14 | 41 | 2.11 |
| N0176 | 21 H200 | 1F | STEEL | 21 | 84.89 | 91 | 65 | - | 59 | 70 | 14 | 43 | 2.23 |
| N0177 | 22 H200 | 1F | STEEL | 22 | 88.94 | 93 | 68 | - | 59 | 70 | 14 | 45 | 2.45 |
| N0178 | 24 H200 | 1F | STEEL | 24 | 97.02 | 102 | 72 | - | 59 | 70 | 14 | 47 | 2.97 |
| N0179 | 26 H200 | 1F | STEEL | 26 | 105.11 | 112 | 80 | - | 59 | 70 | 14 | 54 | 3.61 |
| N0180 | 28 H200 | 1F | STEEL | 28 | 113.19 | 120 | 80 | - | 59 | 70 | 14 | 54 | 4.10 |
| N0181 | 30 H200 | 1F | STEEL | 30 | 121.29 | 128 | 80 | - | 59 | 70 | 14 | 54 | 4.74 |
| N0182 | 32 H200 | 1F | STEEL | 32 | 129.36 | 135 | 80 | - | 59 | 70 | 14 | 54 | 5.60 |
| N0183 | 36 H200 | 1F | STEEL | 36 | 145.53 | 150 | 80 | - | 59 | 70 | 14 | 48 | 7.10 |
| N0184 | 40 H200 | 1F | STEEL | 40 | 161.70 | 168 | 80 | - | 59 | 70 | 14 | 48 | 8.40 |
| N0185 | 44 H200 | 2F | CAST IRON | 44 | 177.87 | 184 | 80 | 150 | 59 | 70 | 19 | 48 | 9.50 |
| N0186 | 48 H200 | 2F | CAST IRON | 48 | 194.04 | 200 | 90 | 166 | 59 | 15 | 24 | 54 | 10.50 |
| N0187 | 60 H200 | 2 | CAST IRON | 60 | 242.55 | - | 90 | 215 | 59 | 75 | 24 | 54 | 11.00 |
| N0188 | 72 H200 | 2 | CAST IRON | 72 | 291.06 | - | 100 | 263 | 59 | 75 | 28 | 62 | 14.00 |
| N0189 | 84 H200 | 2 | CAST IRON | 84 | 339.576 | - | 120 | 312 | 59 | 75 | 28 | 62 | 15.00 |
| N0190 | 96 H200 | 2 | CAST IRON | 96 | 388.08 | - | 120 | 360 | 59 | 75 | 28 | 70 | 20.30 |
| N0191 | 120 H200 | 2 | CAST IRON | 120 | 485.10 | - | 120 | 458 | 59 | 75 | 28 | 70 | 28.00 |
