H (1 / 2”) 150 Taper Lock Bush Timing Pulley
- Home
- Product
- Taper Lock Bush Timing Pulley
- H Taper Pitch Pulley
- H (1 / 2”) 150 Taper Lock Bush Timing Pulley
H (1 / 2”) Taper Lock Bush Timing Pulley Ref. H150
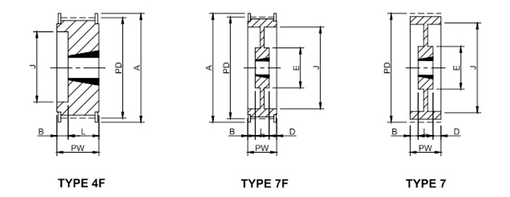
Technical Specifications
| PART NO | PULLEY SIZE | PULLEY TYPE | BUSH NO | MATERIAL | NO. OF TEETH | MAX BORE (MB) | PD | A | PW | J | B | L | D | E | APPROX WEIGHT (kg) |
|---|---|---|---|---|---|---|---|---|---|---|---|---|---|---|---|
| N0772 | 18H150 | 4F | 1210 | C.I. / FG200 | 18 | 32 | 72.77 | 79 | 45 | 52 | 20 | 25 | - | - | 1.45 |
| N0773 | 19H150 | 4F | 1210 | C.I. / FG200 | 19 | 32 | 76.81 | 83 | 45 | 56 | 20 | 25 | - | - | 1.55 |
| N0774 | 20H150 | 4F | 1210 | C.I. / FG200 | 20 | 32 | 80.95 | 87 | 45 | 60 | 20 | 25 | - | - | 1.70 |
| N0776 | 22H150 | 4F | 1210 | C.I. / FG200 | 22 | 32 | 88.94 | 95 | 45 | 67 | 20 | 25 | - | - | 2.07 |
| N0777 | 23H150 | 4F | 1610 | C.I. / FG200 | 23 | 42 | 92.98 | 98 | 5 | 70 | 20 | 25 | - | - | 2.28 |
| N0778 | 24H150 | 4F | 1610 | C.I. / FG200 | 24 | 42 | 97.02 | 103 | 45 | 74 | 20 | 25 | - | - | 2.50 |
| N0779 | 25H150 | 4F | 1610 | C.I. / FG200 | 25 | 42 | 101.06 | 106 | 45 | 77 | 20 | 25 | - | - | 2.71 |
| N0780 | 26H150 | 4F | 1610 | C.I. / FG200 | 26 | 42 | 105.11 | 112 | 45 | 82 | 20 | 25 | - | - | 2.99 |
| N0781 | 27H150 | 4F | 1610 | C.I. / FG200 | 27 | 42 | 109.15 | 115 | 45 | 85 | 20 | 25 | - | - | 3.15 |
| N0782 | 28H150 | 4F | 1610 | C.I. / FG200 | 28 | 42 | 113.19 | 120 | 45 | 91 | 20 | 25 | - | - | 3.39 |
| N0783 | 30H150 | 4F | 1610 | C.I. / FG200 | 30 | 42 | 121.28 | 128 | 45 | 98 | 20 | 25 | - | - | 3.86 |
| N0784 | 32H150 | 7F | 1610 | C.I. / FG200 | 32 | 42 | 129.36 | 135 | 45 | 106 | 10 | 25 | 10 | 80 | 4.37 |
| N0785 | 36H150 | 7F | 1610 | C.I. / FG200 | 36 | 42 | 145.53 | 151 | 45 | 121 | 10 | 25 | 10 | 92 | 5.50 |
| N0786 | 40H150 | 7F | 1610 | C.I. / FG200 | 40 | 42 | 161.70 | 168 | 45 | 138 | 10 | 25 | 10 | 92 | 6.80 |
| N0787 | 44H150 | 7F | 2012 | C.I. / FG200 | 44 | 50 | 177.87 | 184 | 45 | 152 | 6.5 | 32 | 6.5 | 92 | 8.50 |
| N0788 | 48H150 | 7F | 2012 | C.I. / FG200 | 48 | 50 | 194.04 | 200 | 45 | 169 | 6.5 | 32 | 6.5 | 106 | 8.80 |
| N0789 | 60H150 | 7 | 2012 | C.I. / FG200 | 60 | 50 | 242.55 | - | 46 | 223 | 7 | 32 | 7 | 106 | 9.00 |
| N0790 | 72H150 | 7 | 2012 | C.I. / FG200 | 72 | 50 | 291.06 | - | 46 | 270 | 7 | 32 | 7 | 106 | 11.00 |
| N0791 | 84H150 | 7 | 2012 | C.I. / FG200 | 84 | 50 | 339.57 | - | 46 | 320 | 7 | 32 | 7 | 106 | 13.00 |
| N0792 | 96H150 | 7 | 2517 | C.I. / FG200 | 96 | 60 | 388.08 | - | 45 | 366 | - | 45 | - | 119 | 17.00 |
| N0793 | 120H150 | 7 | 2517 | C.I. / FG200 | 120 | 60 | 485.10 | - | 45 | 462 | - | 45 | - | 119 | 25.00 |
