5M 25 Plain Bore Timing Pulley
- Home
- products
- Plain Bore Timing Pulley
- 5M Plain Bore Timing Pulley
- 5M 25 Plain Bore Timing Pulley
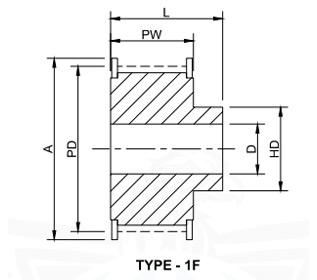
5M Plain Bore Timing Pulley Ref. 5M 25
Technical Specifications
| PART NO | PULLEY SIZE | PULLEY TYPE | MATERIAL | NO. OF TEETH | PD | A | HD | PW | L | MIM BORE (D) | MAX BORE | APPROX WEIGHT (kg) |
|---|---|---|---|---|---|---|---|---|---|---|---|---|
| N0398 | 12-5M-15 | 1F | STEEL | 12 | 19.10 | 23 | 12.0 | 30.5 | 36 | 4 | 7 | 0.05 |
| N0399 | 14-5M-25 | 1F | STEEL | 14 | 22.28 | 25 | 13.0 | 30.5 | 36 | 6 | 8 | 0.08 |
| N0400 | 15-5M-25 | 1F | STEEL | 15 | 23.87 | 28 | 16.0 | 30.5 | 36 | 6 | 10 | 0.09 |
| N0401 | 16-5M-25 | 1F | STEEL | 16 | 25.46 | 28 | 16.5 | 30.5 | 36 | 6 | 11 | 0.11 |
| N0402 | 18-5M-25 | 1F | STEEL | 18 | 28.65 | 32 | 20.0 | 30.5 | 36 | 6 | 13 | 0.13 |
| N0403 | 20-5M-25 | 1F | STEEL | 20 | 31.83 | 36 | 23.0 | 30.5 | 36 | 6 | 14 | 0.17 |
| N0404 | 21-5M-25 | 1F | STEEL | 21 | 33.42 | 38 | 24.0 | 30.5 | 38 | 6 | 15 | 0.20 |
| N0405 | 22-5M-25 | 1F | STEEL | 22 | 35.01 | 38 | 25.5 | 30.5 | 38 | 6 | 16 | 0.22 |
| N0406 | 24-5M-25 | 1F | STEEL | 24 | 38.20 | 42 | 27.0 | 30.5 | 38 | 6 | 18 | 0.26 |
| N0407 | 26-5M-25 | 1F | STEEL | 26 | 41.38 | 44 | 30.0 | 30.5 | 38 | 6 | 20 | 0.32 |
| N0408 | 28-5M-25 | 1F | STEEL | 28 | 44.56 | 48 | 30.5 | 30.5 | 38 | 6 | 20 | 0.37 |
| N0409 | 30-5M-25 | 1F | STEEL | 30 | 47.75 | 51 | 35.0 | 30.5 | 38 | 6 | 24 | 0.44 |
| N0410 | 32-5M-25 | 1F | STEEL | 32 | 50.93 | 54 | 38.0 | 30.5 | 38 | 8 | 26 | 0.48 |
| N0411 | 36-5M-25 | 1F | STEEL | 36 | 57.30 | 60 | 38.0 | 30.5 | 38 | 8 | 26 | 0.59 |
| N0412 | 40-5M-25 | 1F | STEEL | 40 | 63.66 | 70 | 38.0 | 30.5 | 38 | 8 | 26 | 0.75 |
| N0413 | 44-5M-25 | 1F | STEEL | 44 | 70.03 | 75 | 45.0 | 30.5 | 40 | 8 | 33 | 0.97 |
| N0414 | 48-5M-25 | 1F | STEEL | 48 | 76.39 | 80 | 50.0 | 30.5 | 40 | 8 | 38 | 1.20 |
| N0415 | 60-5M-25 | 1F | STEEL | 60 | 95.49 | 100 | 65.0 | 30.5 | 40 | 8 | 53 | 1.85 |
| N0416 | 72-5M-25 | 1F | STEEL | 72 | 114.59 | 120 | 80.0 | 30.5 | 40 | 8 | 68 | 2.71 |
