14M 40 Taper Lock Bush Timing Pulley
- Home
- products
- Taper Lock Bush Timing Pulley
- 14M Taper Lock Bush Timing Pulley
- 14M 40 Taper Lock Bush Timing Pulley
14M Taper Lock Bush Timing Pulley Ref. 14M 40
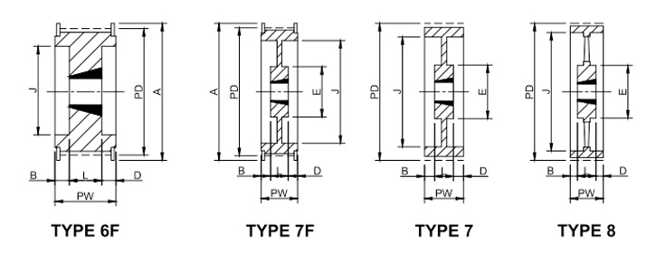
Technical Specifications
| PART NO | PULLEY SIZE | PULLEY TYPE | BUSH NO | MATERIAL | NO. OF TEETH | MAX BORE (MB) | PD | A | PW | J | B | L | D | E | APPROX WEIGHT (kg) |
|---|---|---|---|---|---|---|---|---|---|---|---|---|---|---|---|
| N0673 | 28-14M-40 | 6F | 2012 | C.I. / FG200 | 28 | 50 | 124.78 | 128 | 54 | 94 | 11 | 32 | 11 | - | 2.07 |
| N0674 | 29-14M-40 | 6F | 2012 | C.I. / FG200 | 29 | 50 | 129.23 | 138 | 54 | 98 | 11 | 32 | 11 | - | 2.30 |
| N0675 | 30-14M-40 | 6F | 2012 | C.I. / FG200 | 30 | 50 | 133.69 | 138 | 54 | 98 | 11 | 32 | 11 | - | 2.65 |
| N0676 | 32-14M-40 | 6F | 2012 | C.I. / FG200 | 30 | 50 | 142.60 | 154 | 54 | 108 | 11 | 32 | 11 | - | 3.40 |
| N0677 | 34-14M-40 | 6F | 2517 | C.I. / FG200 | 34 | 60 | 151.51 | 160 | 54 | 120 | 4.5 | 45 | 4.5 | - | 4.80 |
| N0678 | 36-14M-40 | 6F | 2517 | C.I. / FG200 | 36 | 60 | 160.43 | 168 | 54 | 120 | 4.5 | 45 | 4.5 | - | 4.80 |
| N0679 | 40-14M-40 | 6F | 2517 | C.I. / FG200 | 40 | 60 | 178.25 | 188 | 54 | 138 | 4.5 | 45 | 4.5 | - | 6.00 |
| N0681 | 44-14M-40 | 6F | 3020 | C.I. / FG200 | 44 | 75 | 196.08 | 212 | 54 | 155 | 1.5 | 51 | 1.5 | - | 7.80 |
| N0682 | 48-14M-40 | 6F | 3020 | C.I. / FG200 | 48 | 75 | 213.90 | 226 | 54 | 170 | 1.5 | 51 | 1.5 | - | 9.40 |
| N0683 | 56-14M-40 | 6F | 3020 | C.I. / FG200 | 56 | 75 | 249.55 | 256 | 54 | 208 | 1.5 | 51 | 1.5 | - | 10.80 |
| N0684 | 64-14M-40 | 7F | 3020 | C.I. / FG200 | 64 | 75 | 285.21 | 296 | 54 | 240 | 1.5 | 51 | 1.5 | 170 | 13.40 |
| N0685 | 72-14M-40 | 7 | 3020 | C.I. / FG200 | 72 | 75 | 401.07 | - | 54 | 360 | 1.5 | 51 | 1.5 | 170 | 17.80 |
| N0686 | 80-14M-40 | 8 | 3020 | C.I. / FG200 | 80 | 75 | 356.51 | - | 54 | 315 | 1.5 | 51 | 1.5 | 170 | 16.00 |
| N0687 | 90-14M-40 | 8 | 3020 | C.I. / FG200 | 90 | 75 | 401.07 | - | 54 | 360 | 1.5 | 51 | 1.5 | 170 | 17.80 |
| N0688 | 112-14M-40 | 8 | 3020 | C.I. / FG200 | 112 | 75 | 499.11 | - | 54 | 457 | 1.5 | 51 | 1.5 | 170 | 25.60 |
| N0689 | 144-14M-40 | 8 | 3020 | C.I. / FG200 | 144 | 75 | 641.71 | - | 54 | 600 | 1.5 | 51 | 1.5 | 170 | 32.00 |
| N0690 | 168-14M-40 | 8 | 3020 | C.I. / FG200 | 168 | 75 | 748.66 | - | 54 | 706 | 1.5 | 51 | 1.5 | 170 | 44.00 |
| N091 | 192-14M-40 | 8 | 3020 | C.I. / FG200 | 192 | 75 | 855.62 | - | 54 | 813 | 1.5 | 51 | 1.5 | 170 | 49.00 |
