14M 55 Plain Bore Timing Pulley
- Home
- products
- Plain Bore Timing Pulley
- 14M Plain Bore Timing Pulley
- 14M 55 Plain Bore Timing Pulley
14M Plain Bore Timing Pulley Ref. 14M 55
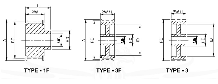
Technical Specifications
| PART NO | PULLEY SIZE | PULLEY TYPE | MATERIAL | NO. OF TEETH | PD | A | HD | ID | PW | L | MIM BORE (D) | MAX BORE | APPROX WEIGHT (kg) |
|---|---|---|---|---|---|---|---|---|---|---|---|---|---|
| N0523 | 28-14M-55 | 1F | STEEL | 28 | 124.78 | 128 | 100 | - | 70.0 | 85.0 | 24.0 | 67.0 | 5.70 |
| N0524 | 30-14M-55 | 1F | STEEL | 30 | 133.69 | 138 | 100 | - | 70.0 | 85.0 | 24.0 | 67.0 | 6.60 |
| N0525 | 32-14M-55 | 1F | STEEL | 32 | 142.60 | 154 | 100 | - | 70.0 | 85.0 | 24.0 | 67.0 | 7.90 |
| N0526 | 34-14M-55 | 1F | STEEL | 34 | 151.52 | 160 | 100 | - | 70.0 | 85.0 | 24.0 | 67.0 | 8.60 |
| N0527 | 36-14M-55 | 1F | STEEL | 36 | 160.43 | 168 | 100 | - | 70.0 | 85.0 | 24.0 | 67.0 | 9.60 |
| N0528 | 38-14M-55 | 1F | STEEL | 38 | 169.34 | 184 | 120 | - | 70.0 | 85.0 | 24.0 | 80.0 | 10.80 |
| N0529 | 40-14M-55 | 1F | STEEL | 40 | 178.25 | 188 | 120 | - | 70.0 | 85.0 | 24.0 | 80.0 | 11.20 |
| N0530 | 44-14M-55 | 1F | STEEL | 44 | 196.08 | 212 | 120 | - | 70.0 | 85.0 | 24.0 | 80.0 | 12.50 |
| N0531 | 48-14M-55 | 3F | CAST IRON | 48 | 213.90 | 226 | 135 | 170 | 70.0 | 70.0 | 24.0 | 82.0 | 13.50 |
| N0532 | 56-14M-55 | 3F | CAST IRON | 56 | 249.55 | 256 | 135 | 207 | 70.0 | 70.0 | 28.0 | 82.0 | 14.50 |
| N0533 | 64-14M-55 | 3F | CAST IRON | 64 | 285.21 | 296 | 135 | 240 | 70.0 | 70.0 | 28.0 | 82.0 | 15.60 |
| N0534 | 72-14M-55 | 3 | CAST IRON | 72 | 320.86 | - | 135 | 278 | 70.0 | 70.0 | 28.0 | 82.0 | 16.90 |
| N0535 | 80-14M-55 | 3 | CAST IRON | 80 | 356.51 | - | 135 | 314 | 70.0 | 70.0 | 28.0 | 82.0 | 20.27 |
| N0536 | 90-14M-55 | 3 | CAST IRON | 90 | 401.07 | - | 135 | 358 | 70.0 | 70.0 | 28.0 | 82.0 | 22.60 |
| N0537 | 112-14M-55 | 2 | CAST IRON | 112 | 499.11 | - | 135 | 456 | 70.0 | 70.0 | 28.0 | 82.0 | 29.29 |
| N0538 | 144-14M-55 | 2 | CAST IRON | 144 | 641.71 | - | 135 | 600 | 70.0 | 70.0 | 28.0 | 82.0 | 39.00 |
| N0539 | 168-14M-55 | 3 | CAST IRON | 168 | 748.66 | - | 135 | 706 | 70.0 | 70.0 | 28.0 | 82.0 | 48.50 |
| N0540 | 192-14M-55 | 3 | CAST IRON | 192 | 855.62 | - | 135 | 813 | 70.0 | 70.0 | 28.0 | 82.0 | 57.80 |
